含有运算放大器的电阻电路分析
含理想运放的电阻电路分析,通常都会用到“虚断”和“虚短”的性质(规则),并将其灵活运用到结点电压法或回路电流法等一般分析方法中去。对含非理想运放的电阻电路,根据给定条件,可近似为理想运放,或部分使用“虚短”和“虚断”规则,或通过运放的线性模型进行分析和求解。
1.含理想运放电路的分析方法
通常都会用到“虚断”和“虚短”的性质(规则),并将其灵活运用到结点电压法或回路电流法等一般分析方法中去。正如此前提出的,因运放输出端的电流不确定,所以一般不列输出端结点的KCL方程。
对包含理想运放基础应用电路(如反相比例放大器、加法器、跟随器等)的较复杂电路,可视给定条件合理使用这些应用电路的已知结论(主要是输入输出电压关系)。
2.含非理想运放电路分析注意事项
⑴在一定条件下可使用“虚短”和“虚断”规则
①若非理想运放的关键参数可认为趋于“理想”,该运放的作用近似为理想运放时,则可以按照理想运放电路进行分析。
②只使用“虚短”规则:运放的输入电阻 R i R_i Ri有限,但放大倍数 A → ∞ A\rightarrow \infty A→∞,“虚短”仍然成立。
③只使用“虚断”规则:运放的放大倍数 A A A有限,但输入电阻 R i → ∞ R_i\rightarrow \infty Ri→∞,“虚断”仍然成立。
⑵采用运放的线性模型进行电路分析
若不能近似为理想运放,也不具备部分使用“虚短”和“虚断”的条件,则可通过运放的线性模型进行分析和求解,具体方法参考上一篇对非理想运放构成的反相放大器的分析例。
综合题★★★
题1 图1所示电路当 R L R_L RL为何值时获得最大功率?求此最大功率。

解析:求 R L R_L RL以外电路的戴维宁等效电路,由理想运放的“虚短”、“虚断”可得
U o c = − 1 V, I s c = − 1 V 2000 k Ω = 0.5 m A U_{oc}=-1\text{V,}I_{sc}=\frac{-1\mathrm{V}}{2000\mathrm{k}\Omega}=0.5\mathrm{mA} Uoc=−1V,Isc=2000kΩ−1V=0.5mA
∴ R e q = U o c I s c = 2 k Ω \therefore R_{eq}=\frac{U_{oc}}{I_{sc}}=2\mathrm{k}\Omega ∴Req=IscUoc=2kΩ
故,当 R L = R e q = 2 k Ω R_L=R_{eq}=2\mathrm{k}\Omega RL=Req=2kΩ时,该电路获得最大功率
P m a x = U o c 2 4 R e q = 1.25 × 1 0 − 4 W P_{max}=\frac{U_{oc}^{2}}{4R_{eq}}=1.25\times 10^{-4}\mathrm{W} Pmax=4ReqUoc2=1.25×10−4W
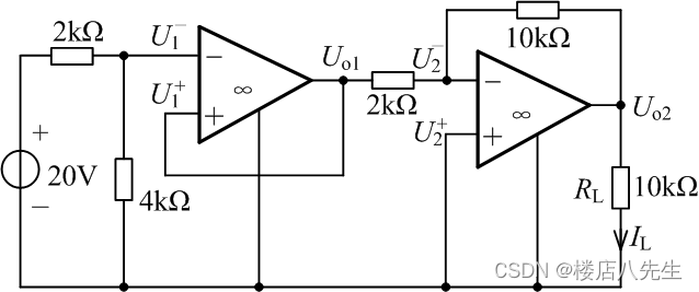
题2 电路如图2所示,求当负载 R L = 10 k Ω R_L=10\mathrm{k}\Omega RL=10kΩ时负载电流 I L I_L IL的值。

解析:标注电路如图3所示,由“虚短”、“虚断”可知

U o 1 = U 1 − = 4 2 + 4 × 20 V = 40 3 V U_{o1}=U_{1}^{-}=\frac{4}{2+4}\times 20\mathrm{V}=\frac{40}{3}\mathrm{V} Uo1=U1−=2+44×20V=340V
U o 2 = U 2 − − 10 × 1 0 3 × U o 1 − U 2 − 2000 = 0 − 5 × 40 3 V = − 200 3 V U_{o2}=U_{2}^{-}-10\times 10^3\times \frac{U_{o1}-U_{2}^{-}}{2000}=0-5\times \frac{40}{3}\mathrm{V}=-\frac{200}{3}\mathrm{V} Uo2=U2−−10×103×2000Uo1−U2−=0−5×340V=−3200V
∴ I L = U o 2 R L = − 200 3 V 10 k Ω = − 200 3 × 1 0 − 4 A = − 20 3 m A \therefore I_L=\frac{U_{o2}}{R_L}=\frac{-\cfrac{200}{3}\mathrm{V}}{10\mathrm{k}\Omega}=-\frac{200}{3}\times 10^{-4}\mathrm{A}=-\frac{20}{3}\mathrm{mA} ∴IL=RLUo2=10kΩ−3200V=−3200×10−4A=−320mA
题3 求图4所示电路的 u o u_o uo。

解析:由叠加定理,1V电压源单独作用时电路为反相放大器
u o ( 1 ) = − 20 10 × 1 V = − 2 V u_{o}^{(1)}=-\frac{20}{10}\times 1\mathrm{V}=-2\mathrm{V} uo(1)=−1020×1V=−2V
2V电压源单独作用时电路为同相放大器
u o ( 2 ) = ( 1 + 20 10 ) × 2 V = 6 V u_{o}^{(2)}=\left( 1+\frac{20}{10} \right) \times 2\mathrm{V}=6\mathrm{V} uo(2)=(1+1020)×2V=6V
因此
u o = u o ( 1 ) + u o ( 2 ) = 4 V u_o=u_{o}^{\left( 1 \right)}+u_{o}^{\left( 2 \right)}=4\mathrm{V} uo=uo(1)+uo(2)=4V
挑战★★★★★
题4 含运放的电阻电路如图5所示,分别在⑴ R i n = ∞ R_{in}= \infty Rin=∞ , A ≠ ∞ A\ne \infty A=∞;⑵ R i n = ∞ R_{in}= \infty Rin=∞, A = ∞ A= \infty A=∞两种情况下,计算开路电压 u o u_o uo、从电压源 u s u_s us两端看进去的输入电阻 R i R_i Ri以及输出电阻 R o u t R_{out} Rout。

解析:
⑴ R i n = ∞ R_{in}= \infty Rin=∞, A ≠ ∞ A\ne \infty A=∞,为非理想运放应用电路
①求开路电压 u o u_o uo。

因 R i n = ∞ R_{in}=\infty Rin=∞,故“虚断”成立, i − = i + = 0 i^-=i^+=0 i−=i+=0, i 1 = i 2 i_1=i_2 i1=i2,参考图6,列回路II和回路I的KVL方程
u s = R 1 i 1 − u d − R 3 i + = R 1 i 1 − u o A u_s=R_1i_1-u_d-R_3i^+=R_1i_1-\frac{u_o}{A} us=R1i1−ud−R3i+=R1i1−Auo
u o = − R 2 i 2 − u d − R 3 i + = − R 2 i 2 − u o A u_o=-R_2i_2-u_d-R_3i^+=-R_2i_2-\frac{u_o}{A} uo=−R2i2−ud−R3i+=−R2i2−Auo
由以上两式,可得
i 1 = i 2 = u s + u o A R 1 i_1=i_2=\frac{u_s+\cfrac{u_o}{A}}{R_1} i1=i2=R1us+Auo
u o = − R 2 / R 1 1 + R 1 + R 2 A R 1 ⋅ u s = − A R 2 ( 1 + A ) R 1 + R 2 ⋅ u s u_o=\frac{-{{R_2}/{R_1}}}{1+\cfrac{R_1+R_2}{AR_1}}\cdot u_s=\frac{-AR_2}{(1+A)R_1+R_2}\cdot u_s uo=1+AR1R1+R2−R2/R1⋅us=(1+A)R1+R2−AR2⋅us
②求输入电阻 R i R_i Ri。由①的结果
i 1 = u s + u o A R 1 = u s R 1 + 1 A R 1 ⋅ − A R 2 ( 1 + A ) R 1 + R 2 ⋅ u s = 1 + A ( 1 + A ) R 1 + R 2 ⋅ u s i_1=\frac{u_s+\cfrac{u_o}{A}}{R_1}=\frac{u_s}{R_1}+\frac{1}{AR_1}\cdot \frac{-AR_2}{\left( 1+A \right) R_1+R_2}\cdot u_s=\frac{1+A}{\left( 1+A \right) R_1+R_2}\cdot u_s i1=R1us+Auo=R1us+AR11⋅(1+A)R1+R2−AR2⋅us=(1+A)R1+R21+A⋅us
故,输入电阻
R i = u s i 1 = R 1 + R 2 1 + A R_i=\frac{u_s}{i_1}=R_1+\frac{R_2}{1+A} Ri=i1us=R1+1+AR2
③求输出电阻 R o u t R_{out} Rout。
把独立源置零,在输出端加电流源 i s i_s is,如图7所示。

对回路I和回路II列KVL
u o = − R 2 i 2 − u d − R 3 i + = − R 2 i 2 − u o A u_o=-R_2i_2-u_d-R_3i^+=-R_2i_2-\frac{u_o}{A} uo=−R2i2−ud−R3i+=−R2i2−Auo
R 1 i 1 − u d = R 1 i 1 − u o A = 0 R_1i_1-u_d=R_1i_1-\frac{u_o}{A}=0 R1i1−ud=R1i1−Auo=0
又因为 i 1 = i 2 i_1=i_2 i1=i2,由以上两式可得
( 1 + R 1 + R 2 A R 1 ) u o = 0 \left( 1+\frac{R_1+R_2}{AR_1} \right) u_o=0 (1+AR1R1+R2)uo=0
在 1 + R 1 + R 2 A R 1 ≠ 0 1+\frac{R_1+R_2}{AR_1}\ne 0 1+AR1R1+R2=0的情况下,有 u o = 0 u_o=0 uo=0,故输出电阻为
R o u t = u o i s = 0 R_{out}=\frac{u_o}{i_s}=0 Rout=isuo=0
⑵ R i n = ∞ R_{in}=\infty Rin=∞, A = ∞ A=\infty A=∞,为理想运放应用电路
①求开路电压 u o u_o uo。
方法一:可将第⑴问中所得 u o u_o uo求 A → ∞ A\rightarrow \infty A→∞时的极限值,即
u o = lim A → ∞ − A R 2 ( 1 + A ) R 1 + R 2 ⋅ u s = − R 2 R 1 u s u_o=\lim_{A\rightarrow \infty} \!\:\frac{-AR_2}{\left( 1+A \right) R_1+R_2}\cdot u_s=-\frac{R_2}{R_1}u_s uo=A→∞lim(1+A)R1+R2−AR2⋅us=−R1R2us
方法二:可由理想运放的“虚短”、“虚断”直接推导
u s R 1 = − u o R 2 ⇒ u o = − R 2 R 1 u s \frac{u_s}{R_1}=-\frac{u_o}{R_2}\Rightarrow u_o=-\frac{R_2}{R_1}u_s R1us=−R2uo⇒uo=−R1R2us
方法三:电路为理想运放构成的反相放大器,可根据输入输出电压关系直接写出结果。
②求输入电阻 R i R_i Ri,由“虚短”、“虚断”,有 u − = u + = 0 u^-=u^+=0 u−=u+=0,故 u s = R 1 i 1 u_s=R_1i_1 us=R1i1,得
R i = u s i 1 = R 1 R_i=\frac{u_s}{i_1}=R_1 Ri=i1us=R1
③求输出电阻 R o u t R_{out} Rout,方法同第⑴问,参考图7, u o = − R 2 i 2 = − R 2 i 1 u_o=-R_2i_2=-R_2i_1 uo=−R2i2=−R2i1,而此时 i 1 = 0 i_1=0 i1=0,所以 u o = 0 u_o=0 uo=0。故输出电阻 R o u t R_{out} Rout。
更多文集,欢迎关注下方公众号!
更多推荐


所有评论(0)