8种封装的1700V国产碳化硅(SiC)功率模块产品介绍及应用
碳化硅器件的高频特性、耐高压和耐高温性能,能够显著提高效率和功率密度,降低应用端的成本、体积和重量。随着碳化硅技术在电力电子领域的快速发展,1700V SiC MOSFET器件为中压大功率转换领域提供了强有力的技术支持。凭借其高功率密度、高可靠性和多样化选择,该系列产品在射频器件-新能源汽车-光伏发电-智能电网-轨道交通...等多个行业中发挥重要作用,助力我国新能源和电力电子产业的持续升级。
碳化硅器件的高频特性、耐高压和耐高温性能,能够显著提高效率和功率密度,降低应用端的成本、体积和重量。随着碳化硅技术在电力电子领域的快速发展,1700V SiC MOSFET器件为中压大功率转换领域提供了强有力的技术支持。凭借其高功率密度、高可靠性和多样化选择,该系列产品在射频器件-新能源汽车-光伏发电-智能电网-轨道交通...等多个行业中发挥重要作用,助力我国新能源和电力电子产业的持续升级。

在现代电子和电力系统中,半导体技术的进步不断推动着效率和性能的提升。其中,碳化硅(SiC)功率模块作为一种新兴的技术,正凭借其优越的性能在电动汽车、可再生能源、电力传输等领域中崭露头角。

碳化硅功率模块,现常规产品电压在650V-1200V-1700V为主,部分研究所和国内高校在研发3300V-6500V的功率模块。SiC 功率模块拥有丰富的拓扑结构,包括半桥、三相桥、三电平以及boost升压电路等封装形式。
三相全桥碳化硅模块主要用于电机驱动逆变器和车载电源系统,如电源转换系统(车载DC/DC)、车载充电系统(OBC)、车载空调系统(PTC和空压机)等方面,显著提升整车的续航里程与加速性能。
半桥碳化硅模块广泛适用于光伏和风能逆变器、储能系统、商用电动汽车及充电设施、不间断电源(UPS)以及感应加热和焊接系统等场景。
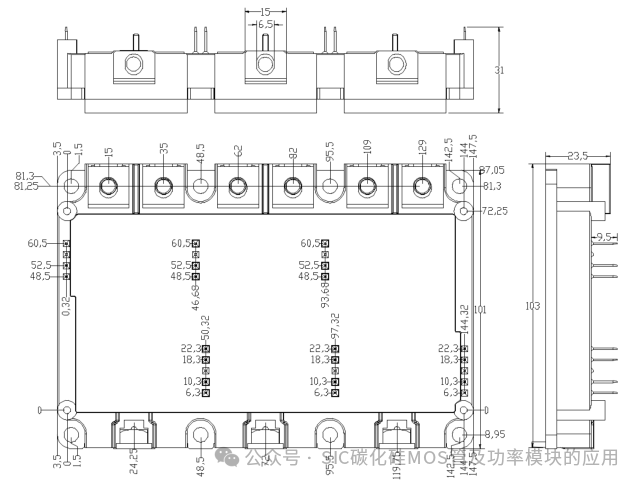
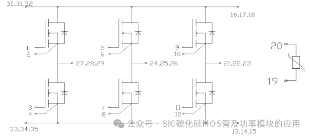
三相全桥模块产品
一.HPD封装的模块


产品实物图(标准款和长端子款)
HPD模块特点:
1. AlN+AlSiC散热,最高工作结温175℃;
2. 第三代模块寄生电感低于10nH,比现有模块小50%以上,降低开关损耗;
3. 参数表现:
- VDS:650~1700V
- ID:400~1000A
- RDS(on) :1.3~6.5mΩ

产品拓扑图

1700V800A模块参数表
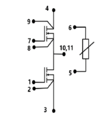
二.DWC3(MD3)封装的模块

产品实物图

风冷散热外框图

水冷散件外框图
DWC3(MD3)模块特点:
1. 采用真空回流焊工艺,AlSiC底板+低热值AlN绝缘陶瓷,最高工作结温175℃;
2. 第三代模块寄生电感低于10nH,比现有模块小50%以上,降低开关损耗;
3. 适用高温、高频应用,超低损耗;
4. 集成NTC温度传感器,易于系统集成;
5. 参数表现:
- VDS:650~1700V
- ID:300~800A
- RDS(on) :1.4~8.3mΩ

产品拓扑图

1700V700A模块参数表
三.MEK6封装的模块

产品实物图
MEK6模块特点:
1. 最高工作结温175℃;
2. 高功率密度,低开关损耗;
3. 适用高温、高频应用;
4. 参数表现:
- VDS:650~1700V
- ID:100~400A
- RDS(on) :2.5~25mΩ

产品拓扑图

1700V200A模块参数表
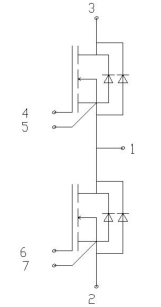
半桥碳化硅功率模块
四.DCM(DCS12)封装的模块

产品实物图
DCM(DCS12)模块特点:
1. 采用单面水冷+模封工艺,最高工作结温175℃;
2. 功率密度高,适用高温、高频应用,超低损耗;
3. 集成NTC温度传感器,易于系统集成;
4. 参数表现:
- VDS:650~1700V
- ID:400~1000A
- RDS(on) :1.3~6.2mΩ

产品拓扑图

1700V800A模块参数表
五.Econodual(MED)封装的模块

产品实物图
Econodual(MED)模块特点:
1. 采用真空回流焊工艺,Cu底板+低热值AlN绝缘陶瓷,最高工作结温175℃;
2. 功率密度高,适用高温、高频应用,超低损耗;
3. 集成NTC温度传感器,易于系统集成;
4. 常关功率模块,零拖尾电流,寄生电感小于15nH,开关损耗低;
5. 参数表现:
- VDS:650~1700V
- ID:270~1000A
- RDS(on) :1.3~8.3mΩ

产品拓扑图

1700V800A模块参数表
六.Easy-2B(MEP)封装的模块

产品实物图
Easy-2B(MEP)模块特点:
1. 采用先进的真空回流焊工艺,Al2O3绝缘陶瓷,最高工作结温150℃;
2. 高功率密度,低寄生电感,低开关损耗;
3. 适用高温、高频应用;
4. 集成NTC温度传感器,易于系统集成;
5. 参数表现:
- VDS:650~1700V
- ID:30~300A
- RDS(on) :3.3~80mΩ

产品拓扑图

1700V300A模块参数表
七.34mm封装的模块

产品实物图
34mm模块特点:
1. 采用全焊片工艺,Cu底板+低热值AlN绝缘陶瓷;
2. 高功率密度,低寄生电感,低开关损耗;
3. 适用高温、高频应用;
4. 参数表现:
VDS:650~1700V
ID:30~300A
RDS(on) :4~80mΩ

产品拓扑图

1700V300A模块参数表
八.62mm封装的模块

产品实物图
62mm模块特点:
1. 采用全焊片工艺,Cu底板+低热值AlN绝缘陶瓷;
2. 高功率密度,低寄生电感,低开关损耗;
3. 适用高温、高频应用;
4. 参数表现:
- VDS:650~1700V
- ID:30~600A
- RDS(on) :2~80mΩ

产品拓扑图

外并二极管(SBD)产品拓扑图

1700V600A模块参数表
碳化硅模块应用场景
1700V SiC功率模块凭借其高耐压、低损耗和高频特性,在以下领域展现出显著优势:
1. 兆瓦级能源系统
- 固态变压器(SST)与中压直流配电:1700V模块可减少串联单元数量30%,提升系统效率并降低体积,适用于10kV及以上中压电网。
- 海上风电与船舶电力转换:高频特性支持紧凑型变流器设计,适应海上平台空间限制和高功率密度需求。
2. 光伏与储能系统
- 组串式光伏逆变器:采用T型三电平拓扑,开关频率提升至32kHz(传统Si方案为16kHz),效率>99%,支持1500V母线电压。
- 储能双向变流器(PCS):支持高频双向能量流动,降低散热压力,适配高压储能系统。
3. 电动汽车主驱逆变器及充电桩
- 新能源汽车主驱逆变器及超快充桩(350kW+):支持800V以上高压平台,缩短充电时间至10分钟补能80%,采用多模块并联设计提升功率密度。
4. 工业电机驱动与轨道交通
- 高压变频器与牵引系统:1700V模块在3.3kV以下应用中替代硅基IGBT,降低开关损耗50%,减少冷却系统体积。
5. 工业电源与UPS
- 高压工业电源:单管反激拓扑实现高压输入(如1700V)到低压输出的直接转换,简化拓扑结构。
碳化硅功率模块的应用方法
1. 驱动电路设计
- 驱动电压:推荐+18V/-3V左右,负压抑制米勒电容耦合,需隔离驱动芯片。
- 门极电阻优化:Rg=2-5Ω(高频场景需动态调整),配合RC缓冲电路抑制电压尖峰(如100Ω+1nF)。
2. 热管理策略
- 散热路径设计:基板粗糙度<1μm,使用高导热界面材料(如Bergquist HI 1000,5W/mK),液冷散热功率密度>50kW/L。
- 结温监控:内置NTC或通过Vgs(th)温漂特性实时监测,确保Tj<150°C。
3. 系统集成与保护
- 拓扑适配:光伏逆变器优选T型三电平,储能系统采用MMC架构,充电桩使用LLC谐振拓扑。
- 保护机制:集成DESAT检测(响应时间<2μs)、主动米勒钳位和TVS过压保护,避免短路和寄生导通。
碳化硅模块的市场前景
1. 市场规模与增长
- 2024年数据:全球1700V SiC模块市场规模预计超50亿元,年复合增长率>35%,主要驱动为新能源车、光伏和工业变频需求。
- 成本下降趋势:2025年SiC成本有望与Si IGBT持平,推动渗透率从20%提升至50%。
2. 技术趋势
- 沟槽栅技术:国产厂家研发的沟槽MOSFET将导通电阻降至2.3mΩ·mm²,性能接近国际水平。
- 集成化设计:驱动+传感器+保护电路三合一模块,减少外围元件30%。
3. 国产替代机遇
- 供应链本土化:国内多家企业已通过车规认证,2025年国产模块市占率有望突破20%。
- 政策支持:中国“十四五”规划明确支持第三代半导体,加速光伏、储能等领域国产化替代。
4. 挑战与风险
- 技术瓶颈:高温封装材料、晶圆良率(国产平均良率85% vs 国际95%)仍需突破。
- 市场竞争:国际巨头(如Infineon、ROHM)仍占据70%市场份额,价格战加剧。
总结与建议
1700V SiC功率模块正成为高压高功率场景的核心器件,其应用从新能源扩展至工业与交通领域。选型需兼顾电压裕量、动态性能及可靠性认证,设计需优化驱动与散热方案。未来3-5年,随着国产技术突破与成本下降,1700V模块将加速替代传统硅基方案,建议企业优先布局车规级与光伏储能市场,同时关注沟槽栅和集成化技术迭代。
注明:此文来源网络,是出于传递更多信息之目的,文中观点仅供分享交流。


更多推荐


所有评论(0)